Collaboration Proposals
Browse among the 332 collaboration proposals promoted by the Enterprise Europe Network, the worldwide network of support centers for innovation, internationalization and competitiveness.
It is a service in collaboration with the project Simpler.
Shown 9 elements of 332 total
Page 4 of 37
Importatore e distributore di materie prime per l'industria alimentare cerca produttori o fornitori di polvere di frutta e bacche essiccate. Ai potenziali partner viene offerta una collaborazione nell'ambito di un accordo di fornitura.
ID EEN: BRLT20250210023
L'azienda cerca fornitori di hardware IoT per la realizzazione di soluzioni di metering per l'elettricità, il gas e l'acqua, nell'ambito di un accordo commerciale. Il partner ideale dovrebbe fornire dispositivi in uno o tutti e tre i settori citati con capacità di integrazione dei dati senza soluzione di continuità, preferibilmente tramite MQTT (Message Queuing Telemetry Transport) o altri protocolli semplici tramite API.
ID EEN: BRPT20250217019
PMI di ingegneria turca sviluppa componenti per agricoltura verticale in ambienti chiusi con sensori IoT, algoritmi AI e moduli automatici per irrigazione e illuminazione. Fino al 90% di risparmio idrico e produzione continua. Cerca partner R&S e commerciali
ID EEN: RDRTR20251021008
Un consorzio svizzero-francese, composto da una startup specializzata in soluzioni per ambienti critici, un'azienda di crittografia dati e una joint venture aerospaziale, cerca un partner industriale per co-progettare una piattaforma blockchain (Ethereum VM) con crittografia omomorfica. La soluzione, sviluppata nell'ambito del bando Horizon Europe EIC Pathfinder Open, ottimizza l'accesso alle capacità produttive e si rivolge in modo particolare a grandi imprese manifatturiere del settore difesa
ID EEN: RDRCH20250304001
Consorzio tedesco prepara proposta Horizon CL5 (D3-02) per produrre ammoniaca/urea da aria e CO₂ catturata (plasma + elettrochimica). Cerca partner non-DE per modellazione, TEA/LCA e validazione end-user.
ID EEN: RDRDE20260116008
Università tedesca offre tecnologia brevettata per prodotti capelli basati su particelle di lignina: protezione UV, assorbimento sebo, colorazione temporanea e condizionamento. Ricercano accordi di licenza o R&D con aziende cosmetiche. I biopolimeri derivati da fonti rinnovabili garantiscono sostenibilità (SDG 12), riducendo l'impatto ambientale vs siliconi e derivati petroliferi. Formulazioni disponibili in polvere, emulsione o spray per uso professionale/daily care.
ID EEN: TODE20250224010
Un team di ricerca spagnolo ha sviluppato un dispositivo modulare avanzato progettato per misurare la permeabilità delle membrane biologiche e industriali ai principali gas (O₂, CO₂) e al vapore acqueo (H₂O g). Questo sistema versatile e personalizzabile offre una soluzione unica per diverse applicazioni, tra cui la ricerca sulla fisiologia delle piante, l'ottimizzazione del post-raccolta e i test sui materiali di imballaggio.
ID EEN: TOES20250210017
Startup tedesca cerca partner produttivi per playmat educativo con sensori a attivazione tattile. Collaborazione richiesta per: 1) stampaggio a iniezione housing in plastica con componenti elettronici (ESP32, altoparlanti); 2) saldatura HF su materiale TPE con integrazione PCB e wiring. Requisiti chiave: conformità CE/REACH, materiali atossici e resistenza all'impatto. Partnership tramite accordo commerciale con assistenza tecnica per prototipazione e produzione piccole serie (50-100 unità).
ID EEN: TRDE20250220021
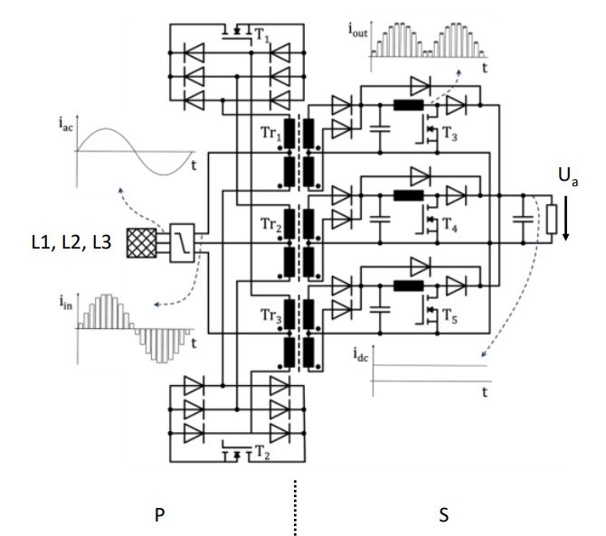
Università tedesca ha realizzato un raddrizzatore a impulsi con solo due interruttori a semiconduttore e una tensione di uscita DC isolata elettricamente. Il livello della tensione di uscita DC è liberamente selezionabile, il progetto è economico e robusto. L'università offre un contratto di licenza e/o un accordo di cooperazione tecnologica.
ID EEN: TODE20250214017
