Collaboration Proposals
Naviga fra le 332 proposte di collaborazione promosse da Enterprise Europe Network, la rete mondiale dei centri di supporto all’innovazione, internazionalizzazione e competitività.
E’ un servizio in collaborazione con il progetto Simpler.
Visualizzati 9 elementi di 332 totali
Pagina 6 di 37
L'azienda cerca fornitori di hardware IoT per la realizzazione di soluzioni di metering per l'elettricità, il gas e l'acqua, nell'ambito di un accordo commerciale. Il partner ideale dovrebbe fornire dispositivi in uno o tutti e tre i settori citati con capacità di integrazione dei dati senza soluzione di continuità, preferibilmente tramite MQTT (Message Queuing Telemetry Transport) o altri protocolli semplici tramite API.
ID EEN: BRPT20250217019
Un consorzio svizzero-francese, composto da una startup specializzata in soluzioni per ambienti critici, un'azienda di crittografia dati e una joint venture aerospaziale, cerca un partner industriale per co-progettare una piattaforma blockchain (Ethereum VM) con crittografia omomorfica. La soluzione, sviluppata nell'ambito del bando Horizon Europe EIC Pathfinder Open, ottimizza l'accesso alle capacità produttive e si rivolge in modo particolare a grandi imprese manifatturiere del settore difesa
ID EEN: RDRCH20250304001
Startup tedesca cerca partner produttivi per playmat educativo con sensori a attivazione tattile. Collaborazione richiesta per: 1) stampaggio a iniezione housing in plastica con componenti elettronici (ESP32, altoparlanti); 2) saldatura HF su materiale TPE con integrazione PCB e wiring. Requisiti chiave: conformità CE/REACH, materiali atossici e resistenza all'impatto. Partnership tramite accordo commerciale con assistenza tecnica per prototipazione e produzione piccole serie (50-100 unità).
ID EEN: TRDE20250220021
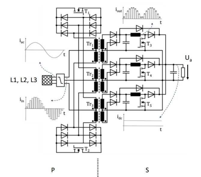
Università tedesca ha realizzato un raddrizzatore a impulsi con solo due interruttori a semiconduttore e una tensione di uscita DC isolata elettricamente. Il livello della tensione di uscita DC è liberamente selezionabile, il progetto è economico e robusto. L'università offre un contratto di licenza e/o un accordo di cooperazione tecnologica.
ID EEN: TODE20250214017
Startup tedesca (spin-off TU Darmstadt) cerca partner per incrementare resistenza all'abrasione umida di un materiale vegano derivato da alghe rosse. Soluzioni ricercate: coating o additivi bio-based, privi di petrolio e conformi a criteri di biodegradabilità. Collaborazione prevista tramite accordo commerciale con supporto tecnico o cooperazione R&D. Il materiale, utilizzabile in calzaturiero e accessori, unisce basse emissioni di CO2 a riciclabilità avanzata.
ID EEN: TRDE20250220003
Università spagnola offre tecnologia per estrazione di polifenoli e flavonoidi da cisto (Cistus ladanifer) mediante acqua in condizioni subcritiche, sostituendo solventi organici. Rivolta a industrie cosmetiche, farmaceutiche e alimentari, la metodologia elimina fasi di purificazione e riduce tempi da ore a minuti. Collaborazione richiesta tramite accordi commerciali con assistenza tecnica o cooperazione R&D. Tecnologia brevettata integra un sistema "bypass" che ottimizza parametri operativi.
ID EEN: TOES20250224007
Università spagnola offre tecnologia di depurazione a 4 stadi senza consumo elettrico, ideale per comuni <500 abitanti. L'impianto ibrido anaerobico riduce produzione di fanghi (-70% vs sistemi aerobici) e genera biogas riutilizzabile. Cercano partner per accordi commerciali con assistenza tecnica o R&D. Vantaggi: costi ridotti, adattabilità morfologica, conformità a SDG 6 (Acqua pulita) e 7 (Energia rinnovabile). Applicabile in UE e paesi in via di sviluppo.
ID EEN: TOES20250220019
Un centro di ricerca ICT spagnolo offre un sistema di ispezione che applica la visione artificiale al controllo qualità. Una soluzione facile da integrare nei processi di produzione, che cattura le immagini di un oggetto in caduta libera per rilevare eventuali deviazioni attraverso test di superficie, volumetrici e metrologici. Il sistema classifica anche una serie di oggetti in attesi e non attesi. Cercano partner per stabilire un accordo di licenza, di produzione o commerciale.
ID EEN: TOES20250218011
Un team di ricerca spagnolo ha sviluppato un sistema di veicoli aerei senza pilota (UAV) con capacità di decollo e atterraggio verticale (VTOL), progettato specificamente per le operazioni su piattaforme in movimento, come le navi marittime. La tecnologia consente il dispiegamento e il recupero dell'UAV senza bisogno di ulteriori infrastrutture a terra, rendendolo ideale per il monitoraggio ambientale, la sorveglianza marittima e le operazioni offshore.
ID EEN: TOES20250210020
